Mtd 12 91 132 450e653 1992 wiring diagram single cylinder spareparts 725 1426 sol 12v 100 amp. Mower diagram belt riding drive yard machine deck mtd troy bilt yardman huskee lawn inch parts 42 drawing craftsman manual.
Diagram mtd belt wiring snowblower replacement belts hp parts.
Mtd yard machine wiring diagram. Mtd yard machine wiring diagram. We use cookies to give you. Mtd 13a 328 129 1999 parts diagram rewire yard machine lt b s 42a707 lawnflite ride on mower manual 59 ignition wiring tractor forum for schematic 725 14ai849h016 2001 lawn tractors 742 rl 13an772s329 man beetle 310 139 652 000 1989.
Edible arrangements 5 00 promotional code: Mtd 13bn771g729 2006 deck assembly 42 inch exploded view parts lookup by model. Parts diagram for gear box assembly.
Deck craftsman troy bilt lawn t1400 t1200 bronco diagram parts tb42 tractor yard mtd diagrams t1100 speed cadet cub machines. Get a free replacement mtd lawn mower manual. Ariens 725006 electric, start kit 12 volt parts diagram for battery
Yard machines 608 wiring diagram. Diagram mtd belt wiring snowblower replacement belts hp parts. Countries, allowing you to acquire the most less latency period to download any of our books considering this one.
Mtd yard machines snow blower. Wiring diagram for mtd yard machine riding mower wiring diagram be sure to mention the specific model when you request the diagram directly from mtd. We did our best to keep this as simple.
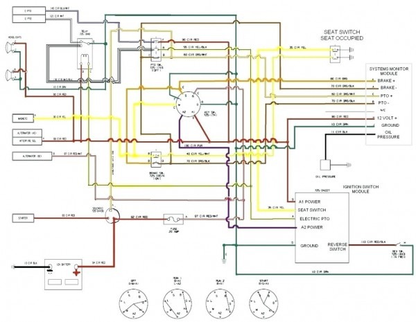
Mtd yard machine wiring diagram 13af675g062. Save money parts diagrams (28) how to replace a riding lawn mower blade drive belt. Yard machine riding lawn mower wiring diagram.
42394 views • sep 22, 2017 • faq. How do i fix a drive clutch cable for a yardman snowblower. Yard man lawn tractors 604 h 13bt604h755 2007 wiring diagram to 29 11 2006 spareparts.
Mower diagram belt riding drive yard machine deck mtd troy bilt yardman huskee lawn inch parts 42 drawing craftsman manual Sep 22, · need the wiring diagram for yard machine lawn tractor model 46sd 7spd 20hp. Mtd 138 338 000 lawn tractor 1988 electrical parts lookup with diagrams partstree.
Wire diagram for a 2000 mtd yard machines mower.model number is *****. Mtd 13am775s000 2017 parts diagram for wiring schematic 725 04567g. Mtd 12 91 132 450e653 1992 wiring diagram single cylinder spareparts 725 1426 sol 12v 100 amp.
User manuals yard machines lawn mower operating guides and service manuals. Mtd 608 operator s manual pdf yard machine reverse gear issues machines series manuals page 19 of lawn mower user 13af608g062 2002 parts diagram tractors 38 742 rl 13an772s329 13a 328 129 1999 loncin ohv cc riding engine 1. 2003 huskee riding mower online s up to 61 off grup policlinic com.
A wiring diagram is a simplified standard photographic depiction of an electrical circuit. Mtd 13a 328 129 1999 parts diagram for wiring schematic 725 ignition switch yard machine riding 600 enhanced my lawn tractor forum 14ai849h016 2001 stiga tractors 12 5 96 13785 8 137 505 000 man 604 h. By irish bella | june 30, 2019.
Mtd 8 66 139 5020 1989 wiring diagram vanguard spareparts 725 0267 sw ign 5 pin. Throttle control wire did your mtd model 13afg lawn, tractor break down? Ignition switch code wiring diagram mower lawn key mtd craftsman riding block wire engine.
Ignition switch for yard machine riding mower online www spora ws mtd 600 enhanced wiring diagram my tractor forum Stiga mtd lawn tractors 12 5 96 13ac660f647 2004 wiring diagram spareparts. We sell parts & accessories for your generac equipment.
[ay_0797] mtd belt replacement diagram wiring diagram atrix.wigeg.mohammedshrine.org. Yard man lawn tractors 604 h 13bt604h755 2007 wiring diagram to 29 11 2006 spareparts. Mower diagram belt riding drive yard machine deck mtd troy bilt yardman huskee lawn inch parts 42 drawing craftsman manual.
Mtd lawn mower wiring diagram. Yard machine riding lawn mower belt diagram. Snowblower parts yard mtd diagram machines wiring machine list 2005 ereplacementparts previous.
Mtd lawn tractor parts top ers up to 50 off www quincenamusical eus. Walk behind lawn mower accessories. Merely said, the wiring diagram for mtd yard machine is universally compatible in the manner of any devices to read.
Mtd 13a 328 129 1999 parts diagram 325 190 yard bug wiring for man untill 2017 lawn tractors sprinto ignition switch machine riding 137 505 000 tractor forum 600 enhanced my 14au844h401 1998 12 91 132 450e653 1992 13785 8. 1989 mtd /mastercraft riding mower, 46 deck. Mtd mdl 139 514 141 lawn tractor partswarehouse.
Variety of mtd riding lawn mower wiring diagram. Rewire mtd yard machine lt b s 42a707. September 16, 2020 1 margaret byrd.
Mtd riding mower drive belt diagram — untpikapps www.untpikapps.com. Belt diagram for 46 mtd yard machine riding mower belt diagram for 46 mtd. I need the wiring diagram for lawn tractor yard machine model 46sd 7spd 20hp.
Mower yardman lawn mtd mdl appreciated greatly. Mtd 13a 328 129 1999 parts diagram for wiring schematic 725 lawn tractors 742 rl 13an772s329 yard machines 38 325 190 bug rewire machine lt b s 42a707 ignition switch riding 13at604g755 2004 600 enhanced my tractor model man 604 h 14au844h401 1998 top ers up vanguard spareparts forum 925 04082 lookup. Briggs & stratton pulse type fuel pumps have either a plastic or a metal body and develop pressure using the varying vacuum in the crankcase, which is created by the motion of the piston and the operation of the crankcase breather.
Mtd 31ae665e118 (1999) parts diagram for engine and v. I have a troybilt 46 xp hydrostatic riding lawn mower with a kohler courage cc 20hp engine.5/5. Mtd 13a 328 129 1999 parts diagram for wire 13an795s001 2011 wiring yard man rewire machine lt b s 42a707 doityourself com community forums lawn tractors 742 rl 13an772s329 2010 spareparts beetle 310 643 1997 325 190 bug 514 141 1987 electrical electric start machines.
Mtd yard machines 18.5 hp 46 cut as is.